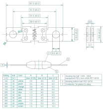
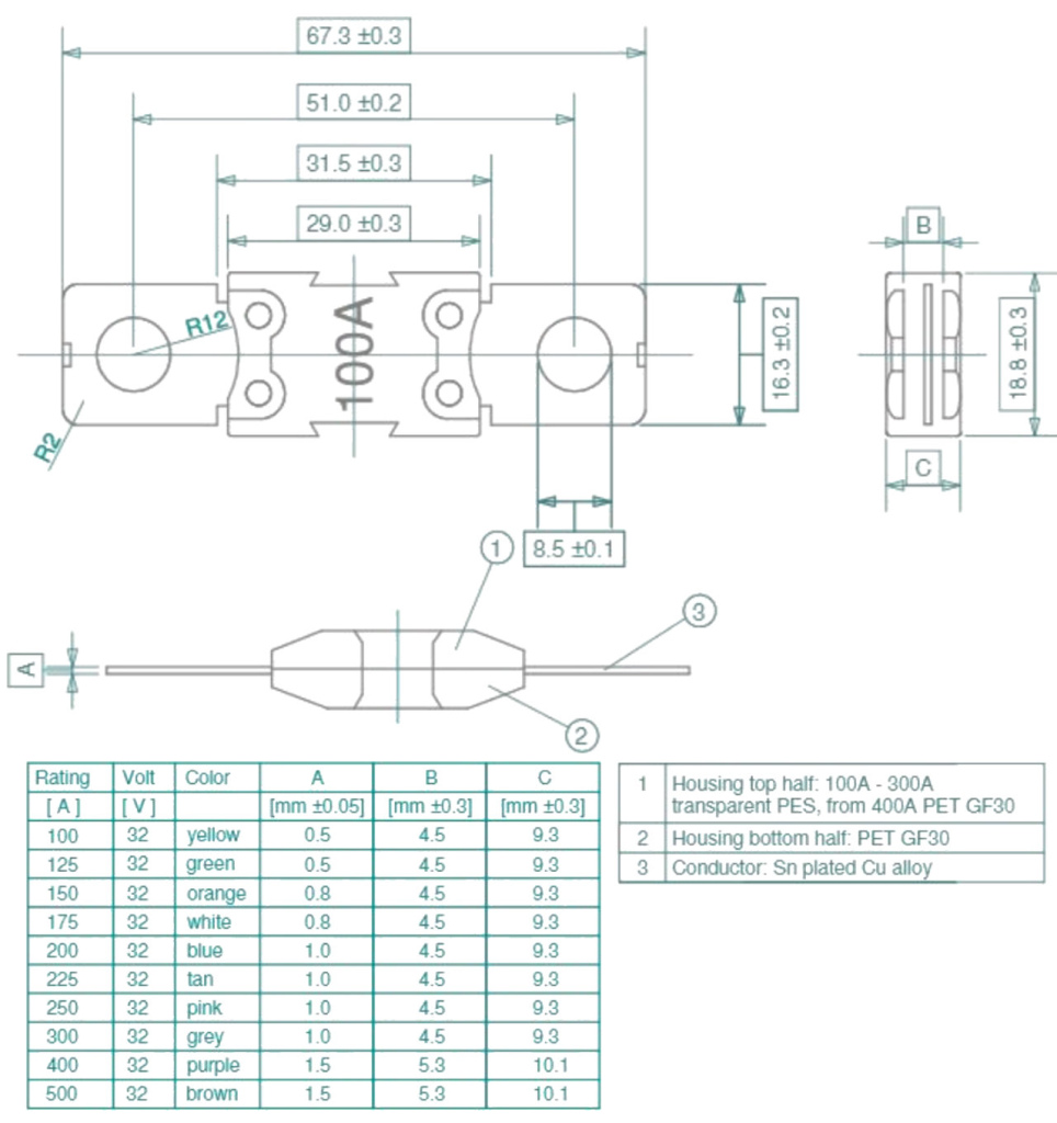
200A Powerzekering mega blauw (5x)