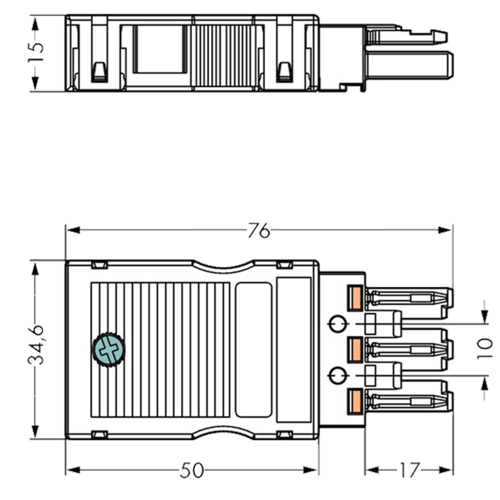
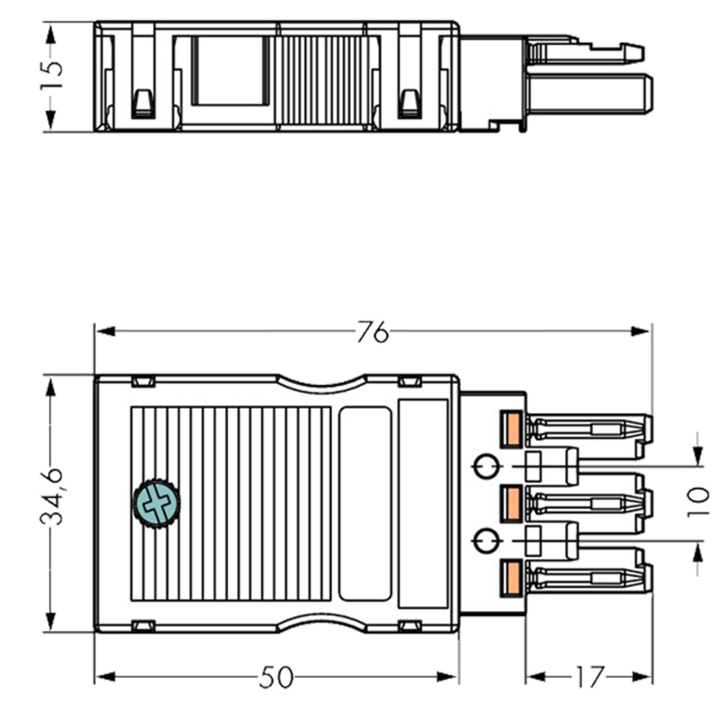
Afmetingen
Bestel meteen mee:
met trekontlasting
Contactuitvoering in connectorbereik Female steker/bus
Connector aansluittype voor geleider
100 % beveiliging tegen verkeerd insteken Ja
Aanwijzing bij beveiliging tegen verkeerd insteken Alle WINSTA®-componenten zijn 100 % beveiligd tegen verkeerd insteken met betrekking tot:
a.) de aansluiting van verschillende poolaantallen
b.) 180° verdraaide aansluiting
c.) zijdelings versprongen aansluiting
d.) 1-polige aansluiting
Vergrendelpal Achteraf te installeren
Vergrendeling stekerverbinding Vergrendelpal
Aanwijzing bij de vergrendeling Vergrendelpallen zijn reeds in de fabriek op alle vast te installeren producten (Snap‐In varianten voor verlichtingsarmaturen c.q. apparaten, alle verdelervarianten, alle printplaatvarianten) gemonteerd, waardoor de te plaatsen bussen c.q. stekers altijd correct worden vergrendeld. Een extra vergrendelpal is uitsluitend vereist bij een zogenoemde "zwevende verbinding" (bus/steker).
Trekontlasting Trekontlastingsbehuizing

