Artikelnr
11936
Verpakkingseenheid
1
Kleur
Zilver
Land van herkomst
Onbekend
Bestel meteen mee:
Disclaimer:
Wij hebben ons best gedaan om zo volledig mogelijk, de juiste Direct mee te bestellen artikelen te adviseren. Aan deze aanbeveling kunnen echter geen rechten worden ontleend.
Bekijk voor meer mogelijkheden:
https://www.bbatechniek.nl/categorie/kabels-12v
https://bbatechniek.nl/categorie/gereedschap-en-kabelmontage
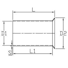
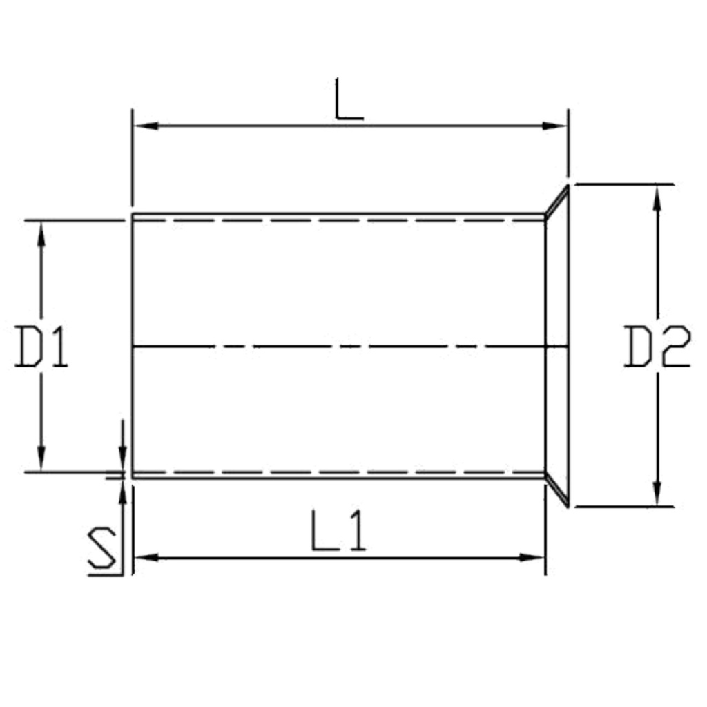
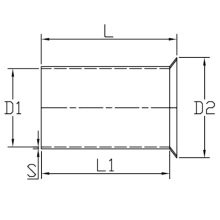
d1 2.2
d2 3.4
L1 10.0
L2 9.0
Draad dikte MM 2,50
Soort Kabelschoen Cord.end sleeve


