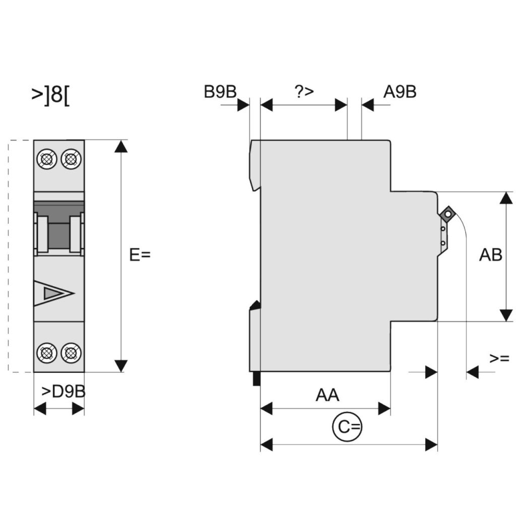
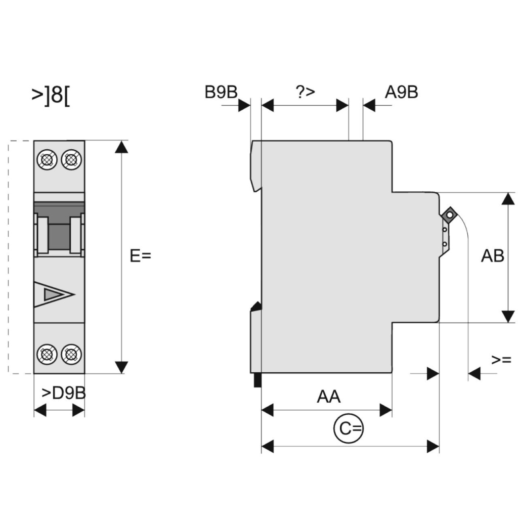
Afmetingen
Bestel meteen mee:
Inbouwdiepte: 70.5mm
Uitschakelkarakteristiek: B
Aantal polen (totaal): 2
Aantal beveiligde polen: 1
Nom. (meet)stroom: 13A
Nom. (meet)spanning: 230V
Nom. isolatiespanning Ui: 440V
Nom. stoothoudspanning (Uimp): 4kV
Nom. afschakelvermogen Icn EN 60898 bij 230V: 6kA
Spanningstype: AC
Nom. afschakelvermogen Icn EN 60898 bij 400V: 6kA
Nom. afschakelvermogen Icu IEC 60947-2 bij 230V: 0kA
Nom. afschakelvermogen Icu IEC 60947-2 bij 400V: 0kA
Frequentie: 50 - 60Hz
Energiebegrenzingsklasse: 3
Inbouwmontage (stucwerk): Nee
Meeschakelende nul: Ja
Overspanningscategorie: 3
Vervuilingsgraad: 2
Nevenapparaat mogelijk: Ja
Breedte in module-eenheden: 1
Beschermingsgraad (IP): IP20
Omgevingstemperatuur tijdens bedrijf: -25 - 75°C
Aansluitbare geleiderdoorsnede meerdraads: 1 - 16mm²
Aansluitbare geleiderdoorsnede eendraads: 1 - 16mm²
Explosieveilig: Nee
