Artikelnr
12934
Verpakkingseenheid
1
Kleur
Zilver
Land van herkomst
China
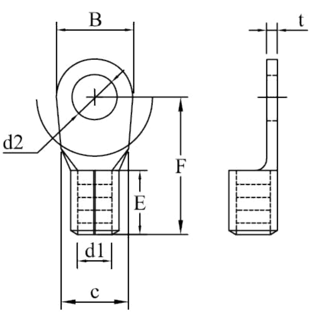
Deze ongeïsoleerde perskabelschoen is vervaardigd van vertind koper en is gemaakt naar DIN46234 eisen.
De cijfers op het kabeloog geven kabel dikte en boutmaat aan; eerste cijfer(s) boutmaat laatste de kabeldikte
De ribbels aan de binnenkant zorgen voor een optimale mechanische verbinding.
Soort Kabelschoen Din Solder
B 16,00
d1 7.5
d2 8.4
E 11.0
F 14.0
L 25.0
t 1.5
Type Din Solder
Materiaal Copper Tinned

