Bestel meteen mee:
Wij hebben ons best gedaan om zo volledig mogelijk, de juiste Direct mee te bestellen artikelen te adviseren. Aan deze aanbeveling kunnen echter geen rechten worden ontleend.
Heb je ook gedacht aan de juiste kabel, krimpkous en het juiste gereedschap?
https://www.bbatechniek.nl/categorie/accu-kabel
https://www.bbatechniek.nl/categorie/gereedschap-en-kabelmontage
https://www.bbatechniek.nl/categorie/krimpkous
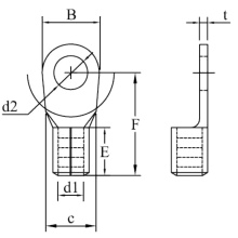
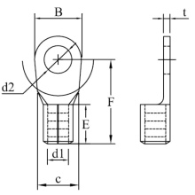
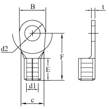
Deze ongeïsoleerde perskabelschoen is vervaardigd van vertind koper en is gemaakt naar DIN46234 eisen.
De cijfers op het kabeloog geven kabel dikte en boutmaat aan; eerste cijfer(s) boutmaat laatste de kabeldikte
De ribbels aan de binnenkant zorgen voor een optimale mechanische verbinding.
Soort Kabelschoen Din Solder
B 14,00
d1 4.5
d2 8.4
E 8.0
F 12.0
L 20.0
t 1.1
Type Din Solder
Materiaal Copper Tinned



